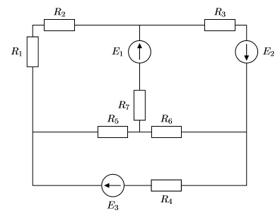
Zadanie 11

Oblicz rozpływ prądów metodą prądów oczkowych

Do obliczeń przyjmij że: $ R_1=1,\Omega$, $ R_2=2,\Omega$, $R_3=3,\Omega$, $ R_4=4,\Omega$, $ R_5=5,\Omega$, $ R_6=6,\Omega$, $ R_7=7,\Omega$, $ \underline{E_1}=\underline{E_3}=1,V$,$ \underline{E_2}=2,V$, $ \omega=2,\frac{rad}{s}$