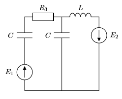
Zadanie 10

Oblicz rozpływ prądów metodą prądów oczkowych.

przyjmij że $ R_3=1,\Omega$, $ L=2,H$, $ C=1,F$, $ e_1(t)=2\cdot sin(2\cdot t),V$, $ e_2(t)= cos(2\cdot t),V$