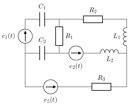
Zadanie 09
Wyznacz wartość napięcia $ u_{c1}(t)$ na kondensatorze w obwodzie na rysunku poniżej.
$e_1(t)=sin\left( 2 \cdot 10^9 \cdot t + \frac{3\pi}{4}\right)$,
$e_2(t)=sin\left( 2 \cdot 10^9 \cdot t + \frac{3\pi}{2}\right)$,
$e_3(1)=sin\left( 2 \cdot 10^9 \cdot t + \pi\right)$,
$L_1=1,nH$,
$L_2=0,5,nH$,
$R_1=R_2=R_3=1,\Omega$,
$C_1=10,5,nF$, $C_2=1,nF$,
